
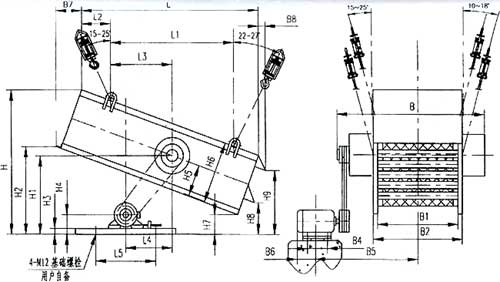
自定中心振動篩用于礦石和煤等物料的粗、中細、極細各級篩分,也可用于對物料作脫水泥、脫介質等處理。自定中心振動篩結構主要由篩箱、激振器、懸掛(或支承)裝置及電動機等組成。自定中心振動篩的適用范圍十分廣泛,主要用于礦山、煤炭、冶煉、建材、耐火材料、輕工、化工、醫藥、食品等行業的產品分級,是破碎篩分機組上的理想設備。自定中心振動篩是圓運動軌跡,結構簡單、堅固耐用、性能可靠、維修方便、生產效率高,因此被廣泛應用。本系列振動篩分為吊式、座式,對小規格篩機配有移動式座架,篩機分為單層與雙層篩網,傳動形式分為左、右裝,篩網有編織網和沖孔篩板。
自定中心振動篩又名吊篩。它是由帶有偏心性質的振動器使篩子產生振動的。它的特點如下:1)篩上物料在振動作用下能達到很好的松散和分層;2)該振動篩的配重質量大小可以調節,可根據生產要求調節篩子振幅大小;3)當給礦量發生變化時,振幅也變化。給礦量少時振幅加大振動加劇;給礦量多時振幅變小。給礦量的變化將影響“動力平衡”,從而使皮帶輪中心產生一些振動;4)適用于中、細粒篩分而不適應粗物料篩分。
S Z Z 2 □ □
┬ ┬ ┬ ┬ ┬ ┬
│ │ │ │ │ │
│ │ │ │ │ └────────- 篩面長度mm
│ │ │ │ │
│ │ │ │ └────────── 篩面寬度mm
│ │ │ │
│ │ │ └───────────- 雙層(單層不標注)
│ │ │
│ │ └───────────── 自定
│ │
│ └──────────────- 中心
│
└──────────────── 振動篩

本系列自定中心振動篩產品主要用于煤炭、冶金、建材、化工等工業部門對中小粒度物料分級之用。自定中心振動篩是圓運動軌跡,結構簡單、堅固耐用、性能可靠、維修方便、生產效率高,因此被廣泛應用。


注:表中的生產能力是依據松散密度0.9t/m3的煤按上層篩面較大和較小篩空進行干式分級給定的,物料中小于篩空尺寸之半的顆粒含量40%,大于篩空尺寸的顆粒含量占25%,篩分效率為90%。
本系列自定中心振動篩分為吊式、座式 兩種規格,對小規格篩機配有移動式座架,篩機分為單層與雙層篩網,傳動形式分為左、右裝,篩網有編織網和沖孔篩板,用戶在訂貨前請說明。
日常維護:
1、應每天檢查電機軸承溫度是否超溫;2、檢查篩網、壓板、篩篦磨損情況;3、檢查吊桿、彈簧受力狀況是否均勻。
定期檢查:
1、定期檢查軸承潤滑情況;2、定期檢查彈簧吊桿、磨損情況;3、檢查篩網磨損狀況;4、檢查各螺栓聯結處是否松動;5、檢查振幅、篩分率是否符合要求;6、檢查振動噪音、篩面傾角是否有變化。